Неверный номер телефона
Что-то пошло не так. Попробуйте позже или свяжитесь с нами в телеграме https://t.me/YuryLoskat
Вернуться к поиску
Барнаултрансмаш
1225-67 Шайба замковая
Барнаултрансмаш
Втулка цилиндра 503-07-4
Барнаултрансмаш
Электронный каталог Д6, Д12
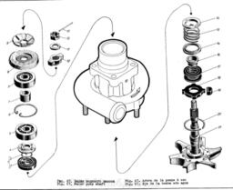
Барнаултрансмаш
Сб.511-00-55 Насос водяной Д6
ЯМЗ, г. Ярославль)
ЯМЗ-238 Дизельный двигатель V8

Доступно без регистрации

Преобразование Яндекс Маркет (YML) в Excel

  • Преобразовывайте YML-файл в редактируемый документ формата Excel. Конвертируйте из YML в XLSX онлайн

Преобразование Excel (XLSX) в формат Яндекс Маркет

  • Преобразовывайте Excel-файл в формат Яндекс Маркет XML (YML). Конвертируйте из XLSX в YML онлайн

Скачивание базы штрихкодов (EAN)

  • База содержит информацию о штрихкодах 1 816 200 товаров. Товары встречались в продаже на российском рынке в период с начала 2021 до конца 2022 года

Поиск по библиотеке

  • У нас в базе есть информация о 70 миллионах товаров. Проверьте, есть ли там нужные вам товары.

Генерация инфографики

  • Генерируйте инфографику для ваших изображений

Ключевые свойства товаров

  • Результат анализа миллионов вопросов покупателей о том, что им важно. Сгруппированы по типам товаров

Тип продукта