Неверный номер телефона
Что-то пошло не так. Попробуйте позже или свяжитесь с нами в телеграме https://t.me/YuryLoskat
Тахион
Видеокамера IP ТВК-65-IP-4Г-V2812-220VAC-МК Ex 11265
11265
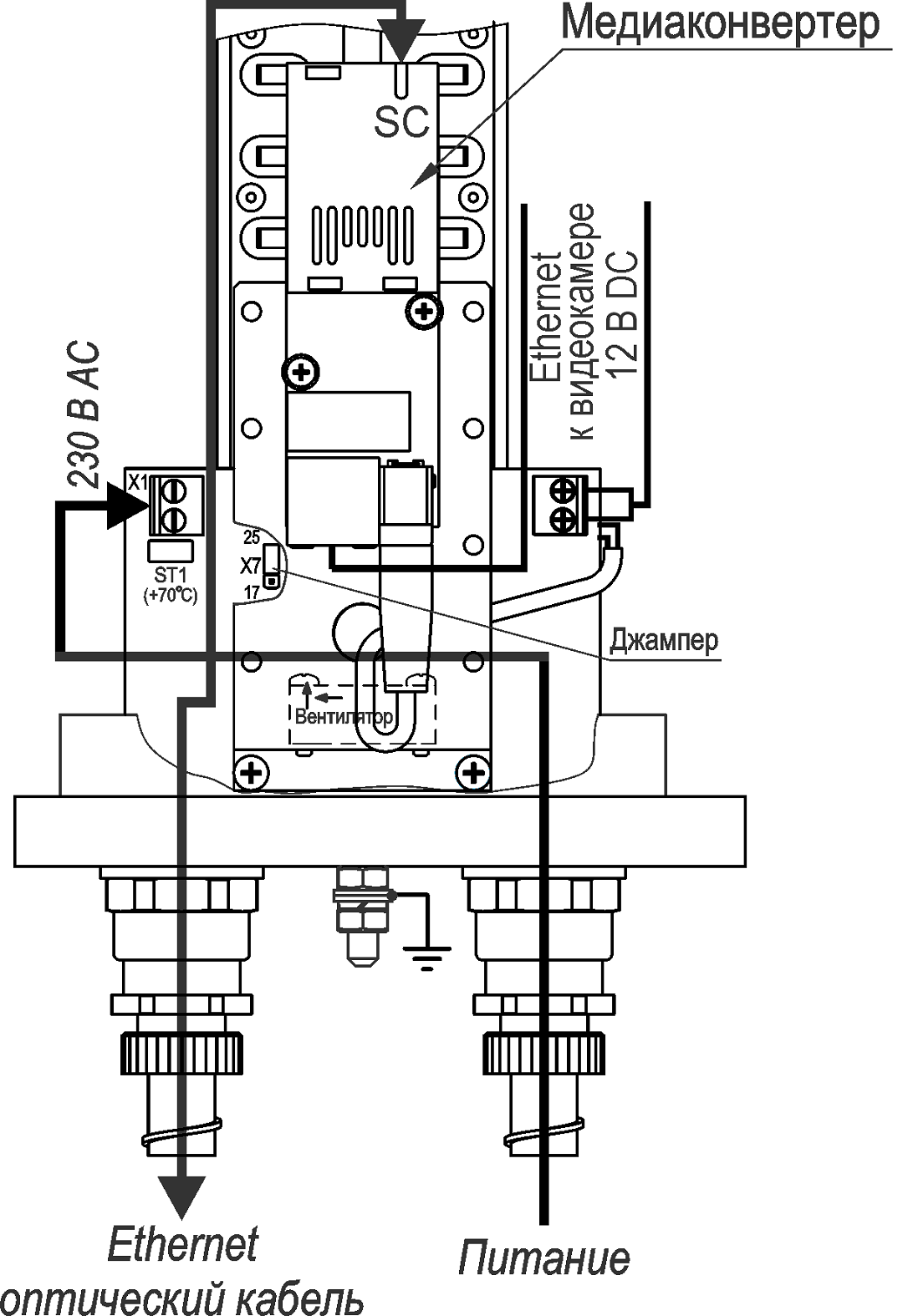
Видеокамера взрывозащищенная сетевая серии «Корунд-ВБ Смарт» наружной установки предназначена для визуального наблюдения охраняемых объектов через информационные сети с непосредственным выходом в оптоволоконную сеть.
  • Объем 0.0132 м3
  • Масса 3.5 кг
  • Высота 135 мм
  • Ширина 220 мм
  • Длина 445 мм

Доступно без регистрации

Преобразование Яндекс Маркет (YML) в Excel

  • Преобразовывайте YML-файл в редактируемый документ формата Excel. Конвертируйте из YML в XLSX онлайн

Преобразование Excel (XLSX) в формат Яндекс Маркет

  • Преобразовывайте Excel-файл в формат Яндекс Маркет XML (YML). Конвертируйте из XLSX в YML онлайн

Скачивание базы штрихкодов (EAN)

  • База содержит информацию о штрихкодах 1 816 200 товаров. Товары встречались в продаже на российском рынке в период с начала 2021 до конца 2022 года

Поиск по библиотеке

  • У нас в базе есть информация о 70 миллионах товаров. Проверьте, есть ли там нужные вам товары.

Генерация инфографики

  • Генерируйте инфографику для ваших изображений

Ключевые свойства товаров

  • Результат анализа миллионов вопросов покупателей о том, что им важно. Сгруппированы по типам товаров

Тип продукта