Неверный номер телефона
Что-то пошло не так. Попробуйте позже или свяжитесь с нами в телеграме https://t.me/YuryLoskat
Тахион
Видеокамера IP ТВК-86-IP-8Г-Z33-24VDC/AC Ex 13194
13194
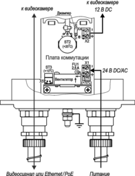
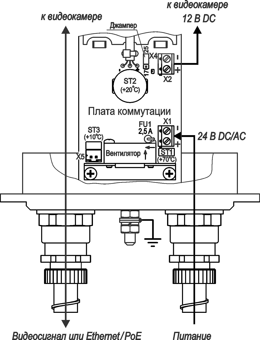
Видеокамера в термокожухе взрывозащищенном ТГБ-8Г Ex IIC из нержавеющей кислотостойкой аустенитной стали (12Х18Н10Т). Класс взрывозащиты РВ Ех db I Mb X / 1Ех db IIC Т6 Gb Х / Ех tb IIIC Т80°C Db Х. Степень защиты IP66/IP68. Рабочий объем 70х70х215 мм. Габариты, мм: Lнар. 420, øнар. 133. Напряжение питания термокожуха 24V DC/AC. Напряжение питания видеокамеры 12VDC. Мощность обогрева 25/17 Вт. Диапазон рабочих температур -60°С/-40°С ÷ +50°C. Холодный пуск. Максимальная потребляемая мощность (включая видеокамеру) 45/37 Вт. В комплекте настенный кронштейн, солнцезащитный козырёк. Камера Apix 33ZBox/M3, разрешение 2065х1553 (3 Мр); чувствительность 0,04 лк (цвет)/0,002 лк (ч/б); 33xZoom (4,5-152 мм), автофокусировка.

Доступно без регистрации

Преобразование Яндекс Маркет (YML) в Excel

  • Преобразовывайте YML-файл в редактируемый документ формата Excel. Конвертируйте из YML в XLSX онлайн

Преобразование Excel (XLSX) в формат Яндекс Маркет

  • Преобразовывайте Excel-файл в формат Яндекс Маркет XML (YML). Конвертируйте из XLSX в YML онлайн

Скачивание базы штрихкодов (EAN)

  • База содержит информацию о штрихкодах 1 816 200 товаров. Товары встречались в продаже на российском рынке в период с начала 2021 до конца 2022 года

Поиск по библиотеке

  • У нас в базе есть информация о 70 миллионах товаров. Проверьте, есть ли там нужные вам товары.

Генерация инфографики

  • Генерируйте инфографику для ваших изображений

Ключевые свойства товаров

  • Результат анализа миллионов вопросов покупателей о том, что им важно. Сгруппированы по типам товаров

Тип продукта