















Тахион
Устройство защиты УЗЛ-СД-12 20112
20112
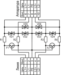
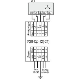
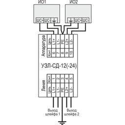
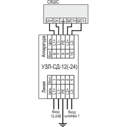
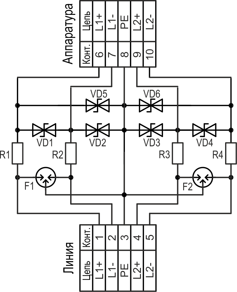
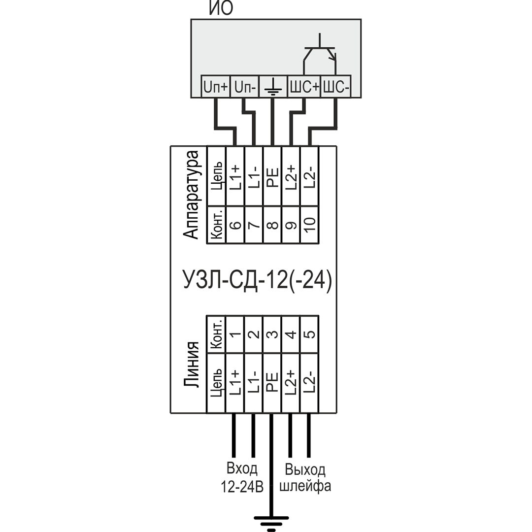
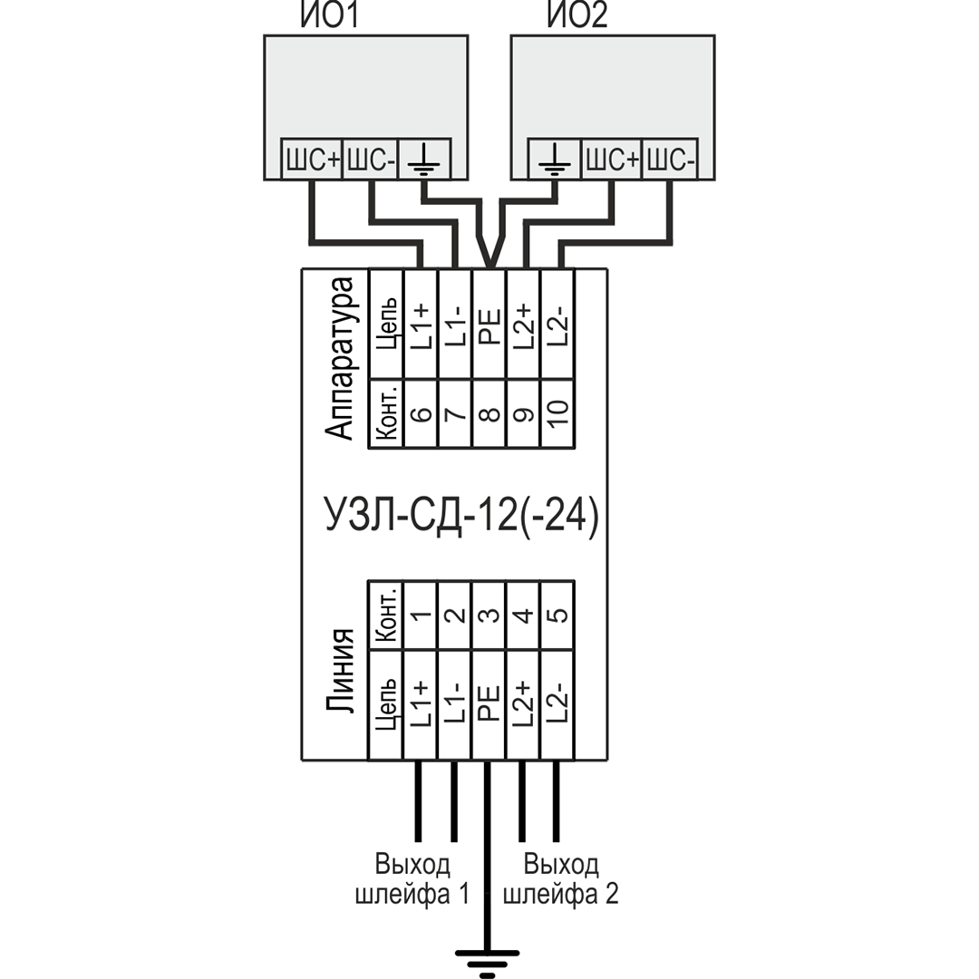
Устройство защиты оборудования, подключенного к шлейфам сигнализации, линиям связи и линиям вторичного питания систем сигнализации. На DIN-рейку