Неверный номер телефона
Что-то пошло не так. Попробуйте позже или свяжитесь с нами в телеграме https://t.me/YuryLoskat
ЗУБР
Коллектор сборный "ШиреФит" (26х16х26 мм) для трубопровода Зубр 51516-26-16-26
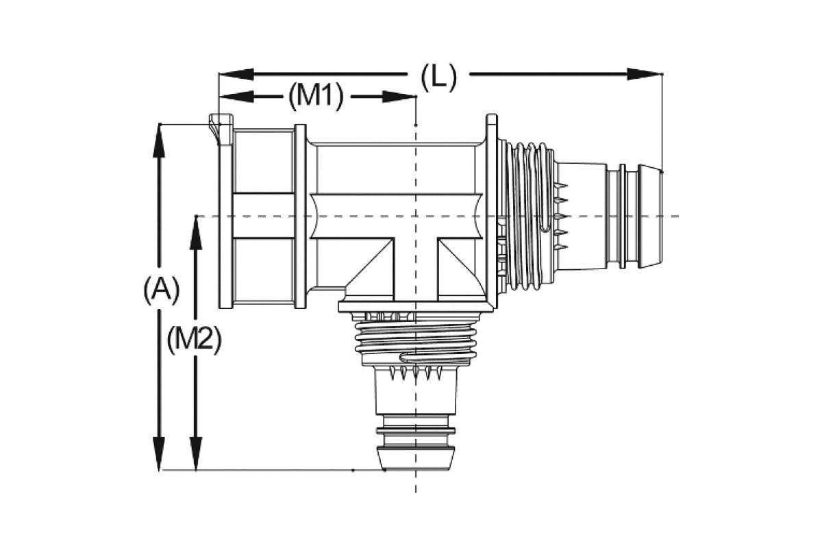
Сборный коллектор "ШиреФит" 51516-26-16-26 Зубр используется с трубопроводом для соединения между собой труб из металлопластика под прямым углом друг к другу. С помощью коллектора достигается прочное герметичное соединение. Рассчитан на трубы, различные по диаметру. Крепление осуществляется с помощью внутренней резьбы-штуцера с гайкой-штуцера с гайкой. Характеристики (см. картинку): Диаметр 26х16х26 мм; А - 73 мм; L - 90.50 мм; М1 - 40.50 мм; М2 - 50 мм.
  • Материал полипропилен
  • Тип фитинга коллектор
  • Размер верхнего отверстия 16 мм
  • Размер боковых отверстий, мм 26

Доступно без регистрации

Преобразование Яндекс Маркет (YML) в Excel

  • Преобразовывайте YML-файл в редактируемый документ формата Excel. Конвертируйте из YML в XLSX онлайн

Преобразование Excel (XLSX) в формат Яндекс Маркет

  • Преобразовывайте Excel-файл в формат Яндекс Маркет XML (YML). Конвертируйте из XLSX в YML онлайн

Скачивание базы штрихкодов (EAN)

  • База содержит информацию о штрихкодах 1 816 200 товаров. Товары встречались в продаже на российском рынке в период с начала 2021 до конца 2022 года

Поиск по библиотеке

  • У нас в базе есть информация о 70 миллионах товаров. Проверьте, есть ли там нужные вам товары.

Генерация инфографики

  • Генерируйте инфографику для ваших изображений

Ключевые свойства товаров

  • Результат анализа миллионов вопросов покупателей о том, что им важно. Сгруппированы по типам товаров

Тип продукта